附搅拌器升降机
NHL
大大减轻了向机器内投放米饭的作业!
| 升降机承重 | 约15〜20kg |
|---|
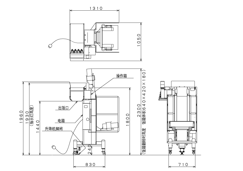
机器规格
升降重量:约15〜20kg
电 压:三相电200V(50/60HZ)
电能消耗:0.36kW
重 量:260kg
体 积:长1280×宽1050×高1930mm
备 注:饭箱的最大承重为20kg。
※机器的外观与规格可能在不予告知的情况下发生变化,敬请谅解!
NHL
大大减轻了向机器内投放米饭的作业!
| 升降机承重 | 约15〜20kg |
|---|
升降重量:约15〜20kg
电 压:三相电200V(50/60HZ)
电能消耗:0.36kW
重 量:260kg
体 积:长1280×宽1050×高1930mm
备 注:饭箱的最大承重为20kg。
※机器的外观与规格可能在不予告知的情况下发生变化,敬请谅解!