计量分饭机5
KBGU
每小时分饭2000份的高品质分饭机!
饭斗上方、下放均配备有米饭搅拌装置。
新型填充方式实现了米饭块的高品质、克数高精度。
只要更换定量室模具,即可轻松切换商品。
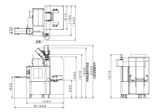
机器规格
分饭速度:2000份/小时
电 压:三相电200 V
电能消耗:0.9kW
重 量:700kg
体 积:长2000×宽1100×高1813mm
频 率:50/60Hz
※机器的外观与规格可能在不予告知的情况下发生变化,敬请谅解!

