电子计量分饭机Ⅲ
KBS
快速、松软盛饭。
双重称重方式确保米饭克数精准不浪费。
机器高度适中,便于安放。
每日需清洗零件减少,易于清洁。
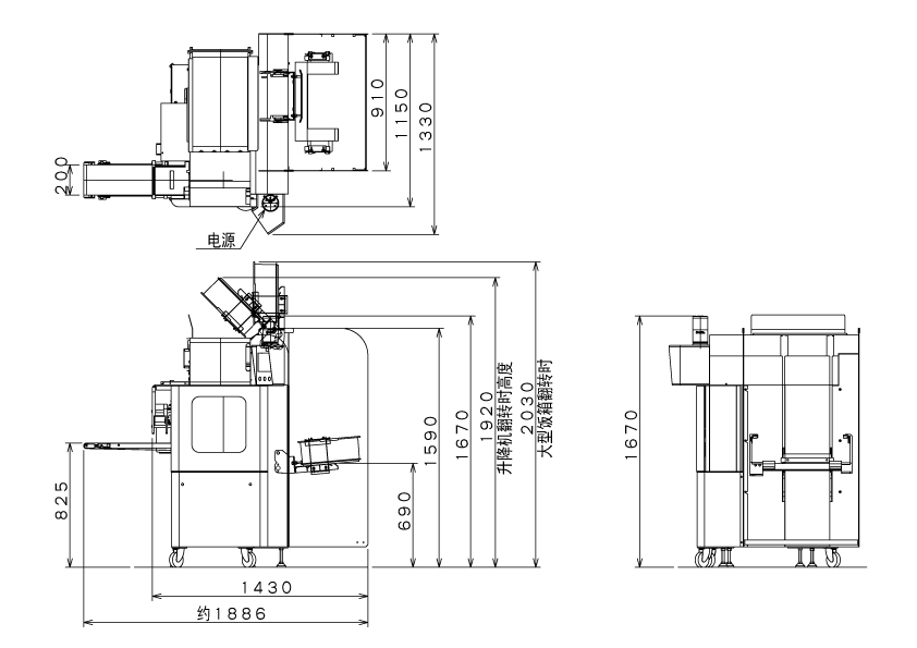
机器规格
分饭速度:1500份/小时
电 压:三相电200V
重 量:460kg
体 积:长1890×宽1330×高1670mm
频 率:50/60Hz
插 头:接地3P 20A 旋转插头
※机器的外观与规格可能在不予告知的情况下发生变化,敬请谅解!
KBS
快速、松软盛饭。
双重称重方式确保米饭克数精准不浪费。
机器高度适中,便于安放。
每日需清洗零件减少,易于清洁。
分饭速度:1500份/小时
电 压:三相电200V
重 量:460kg
体 积:长1890×宽1330×高1670mm
频 率:50/60Hz
插 头:接地3P 20A 旋转插头
※机器的外观与规格可能在不予告知的情况下发生变化,敬请谅解!